产品推介| 利来国际高科热压TLVR电感:破解AI供电难题,赋能AI产业发展
TLVR供电技术起源
随着AI算力需求爆发式增长,服务器加速卡负载电流已提升至1000A以上,瞬态响应时间要求进入亚微秒级别。传统多相电压调节器(VR)架构的性能已逼近物理极限,难以兼顾大电流与超高瞬态响应的双重挑战。
2019年,谷歌在应用电力电子会议(APEC)上提出一项开源创新方案——多相变压器电感电压调节器(TLVR)拓扑结构。该技术通过将各相电感转换为变压器的次级绕组,并借助串联补偿电感与环路初级绕组实现磁耦合,建立起独特的“相位联动”响应机制,实现远超传统架构的瞬态响应速度。TLVR不仅具备优异的稳态性能,更为AI服务器提供了可线性扩展的高效供电解决方案。

作为开源技术,TLVR有效绕开了多种供电架构的专利壁垒,现已在算力服务器领域获得广泛应用。而TLVR电感,正是实现这一架构的核心元器件。
利来国际高科TLVR技术突破
利来国际高科依托先进金属磁性材料技术和超高压热压平台,推出新一代热压工艺TLVR电感100510、110475、110750等产品。与早期的MnZn氧化物磁性材料组装电感相比,在损耗相同的情况下,利来国际高科新型热压TLVR电感实现了更小的体积、更高的电流承载能力与更低的直流电阻(DCR),完美契合高功率密度算力服务器的发展趋势。

利来国际高科TLVR电感的创新亮点在于采用了预组装低磁导率高绝缘玻璃陶瓷层在两组线圈之间。该技术使得产品在匝间绝缘强度与耦合系数一致性方面显著优于市场同类竞品,有效解决了传统TLVR电感存在的耐压低、感量不集中、电压纹波差异大等问题。以耐压性能为例,目前行业普遍水平为60-80V,而利来国际TLVR电感耐压能力已突破100V,为产品可靠性树立了新标杆。

磁路仿真

热仿真

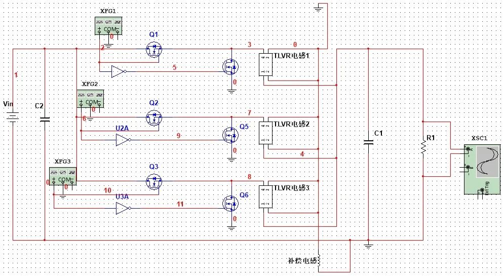
电路仿真
未来技术落地
利来国际高科将持续投入TLVR应用研究与测试能力建设,在自主测试平台上为终端客户提供更加高效的器件选型和电路仿真服务。利来·国际-利来·国际有限公司-官网致力于在基础元器件领域不断突破,以高性能、高可靠的TLVR电感产品,助力国产AI算力产业高质量发展。