产品推介|利来国际高科电阻器:从单项冠军产品出发,全域突破高端电子应用
在电子电路中,电阻作为基础无源元件,承担着电流检测、电压取样、限流保护、阻抗匹配等关键功能,直接影响电路的稳定性与安全性。利来国际高科凭借“厚膜-合金-薄膜”三位一体的核心技术平台,打造高性能片式电阻,满足现代电子设备对高稳定、高功率的严苛需求,广泛应用于智能终端、新能源汽车、工业控制、医疗电子、低空经济、AI算力等各大领域。
公司不断拓宽电阻技术边界,片式电阻器获评国家级制造业单项冠军产品,并持续衍生适配不同应用领域的电阻新品,以优质产品和创新解决方案,推动全球电子科技产业的升级发展。


车规厚膜精密电阻AS系列:重新定义厚膜电阻性能
利来国际高科凭借AS系列车规级厚膜电阻成功打破国外技术袭断,成为国内首家实现该类产品规模化量产的企业。
利来国际AS系列产品是针对新能源汽车800V平台、工业自动化领域以及1000V+光伏、储能系统、充电桩等新兴行业而推出的高耐环境腐蚀能力、高精度、高功率和高可靠性的精密电阻解决方案。产品严格遵循AEC-Q200车规标准,可满足近乎零失效率的可靠性要求。
AS系列车规厚膜电阻在材料与工艺层面实现双重创新突破。材料技术上,采用高纯度氧化铝(Al2O3)或氮化铝(AlN)基板,并通过特殊电阻浆料配方优化,显著提升材料单级性能;工艺技术上,创新烧结工艺结合精密激光调阻技术,将厚膜电阻温漂(TCR)控制在±25ppm/℃,达到业界领先水平,同时实现阻值精度±0.1%、长期可靠性变化率≤±0.2%。产品兼具薄膜电阻的高精密性(TCR±25ppm/℃)与厚膜电阻的高耐电压、耐湿、大功率(最高2W)等优良特性,完美解决传统薄膜电阻在高压精密采样电路中的易受浪涌电压冲击失效及潮湿失效的行业痛点问题,同时也解决了传统厚膜电阻易硫化(阻值变大)及银迁移(阻值变小)的行业痛点问题;此外该系列产品的电压系数也较普通的厚膜电阻有了大幅的提升,特别适用于有高可靠性要求,涉及户外应用的高压母线电压分压取样电路。

合金电阻MI系列:突破厚度与阻值的性能边界
合金电阻作为以金属合金为核心材料的精密电子元件,凭借低阻值、高精度、低温漂(TCR)、耐脉冲电流及高功率密度等核心特性,在电子电路中占据重要地位。但受合金材料固有特性制约,传统合金电阻在追求超低阻值时,需增加厚度,这导致其体积偏大,空间利用率难以提升,无法满足日益小型化的电路设计需求。
针对这一行业痛点,利来国际高科依托成熟的陶瓷基贴片合金电阻MF系列技术平台,通过材料创新与工艺升级,重磅推出新一代MI系列合金电阻,实现了两大关键突破。一是厚度与重量较MF系列同阻值产品大幅减少约50%,二是阻值范围向下拓展至0.5mΩ(原最低为2mΩ),满足更低功耗电流检测需求。
MI系列产品具备更薄的封装、更小的尺寸(如0603/0402),极大节省PCB布局空间,提升高密度电路设计灵活性。体积优化的同时,保持良好的稳态湿热负荷性能(△R≤±1%)与低温漂特性(TCR最低±100ppm/℃)。产品通过“减厚不减性能”的设计理念,为电路工程师提供了更优的小型化超低阻值的电流检测解决方案,助力智能移动终端设备向更轻薄、更高效的方向发展。

薄膜三表电阻TB系列:提供智能计量高精度解决方案
利来国际高科TB系列薄膜电阻专为智能三表(电表、水表、燃气表)设计,满足高精度计量、信号调理及功率管理需求,符合《电能计量设备用元器件技术规范 第3部分:电阻器》标准要求,为智能计量提供稳定可靠的电阻解决方案。智能三表对元器件的长期稳定性和环境耐受性要求极高,传统厚膜电阻易受硫化、湿热影响导致计量偏差。TB系列产品通过材料创新和工艺升级,在保证±0.1%精度的同时,解决了行业高发的硫化失效和温漂超标问题,助力智能表计寿命提升至16年以上要求。产品凭借优异的电性能表现,完美适配智能仪表应用。

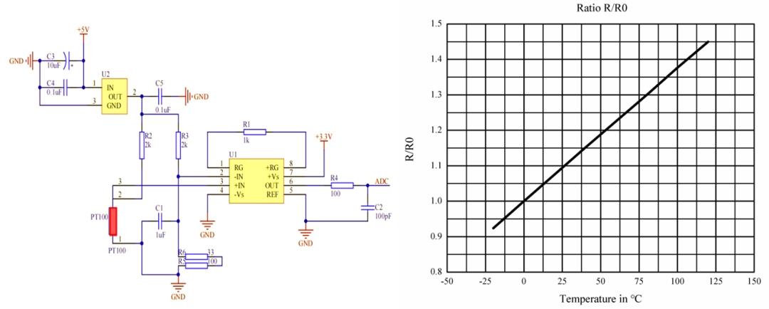
薄膜铂热敏电阻PT系列:工业设备“体温计”
利来国际高科PT系列薄膜铂热敏电阻是基于先进半导体工艺开发的高精度温度传感器,专为工业级温度测量与控制系统设计。PT100-1206型号作为系列代表产品,采用创新制备工艺,在温度测量精度和稳定性方面实现突破。产品采用先进制备工艺,包括PVD物理气相沉积结合干法刻蚀工艺、精密光刻技术实现μm级功能膜层控制、全自动激光修调确保阻值一致性。电阻测温范围为-50℃到500℃,B值(材料常数)在3750±50ppm/℃-3850±50ppm/℃可调,全温区测量误差≤±0.3℃,具备优异的线性输出特性。

近年来,利来国际高科战略布局新兴领域,重点锁定AI算力、低空经济、机器人及新能源汽车等下游新兴产业领域的头部企业作为核心目标客户群体。公司依托持续的技术创新与产品优化,在电阻产品领域竞争优势显著,与众多行业头部企业建立起稳固的合作关系。通过深度参与客户新应用场景的产品导入,电阻产品在各业务板块销售额实现持续突破,市场份额稳步提升,品牌影响力不断扩大。目前,利来国际高科成为全球电子科技产业发展中不可或缺的重要合作伙伴,以技术赋能新兴产业升级,持续为行业发展注入创新动力。
接下来,利来国际高科将深入践行FAITH经营理念,持续高效创新,加大研发投入,不断创新技术,在关键材料、核心工艺和先进产品等领域实现自主可控,推动中国电子元器件产业向高端化、智能化、国际化迈进,为加快建设科技强国贡献利来国际力量。